Welcome to TIK Bearing Manufacturing Co., Ltd
  0086-28-62493070
SUPERIOR RAW MATERIALS, FIRST CLASS WORKMANSHIP,
HIGH QUALITY BEARINGS
CATEGORIES
HOT SALE PRODUCTS
GACZ...S Series
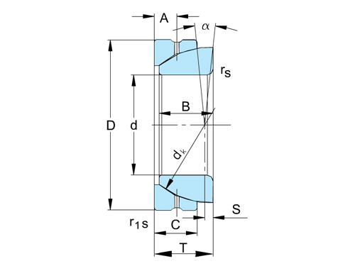
Radial spherical plain bearings have an inner ring with a sphered convex outside diameter and an outer ring with a correspondingly sphered but concave inside surface. Their design makes them particularly suitable for bearing arrangements where alignment movements between shaft and housing have to be accommodated, or where oscillating or recurrent tilting or slewing movements must be possible at relatively slow sliding speeds, often accompanied with heavy loads.
Request a Quote
Product Description

GACZ...S.jpg


Bearing No.Boundary dimensions(mm)Mass
dDBCTdkSArs,r1sα°Kg
min
GACZ12S12.722.2256.864.837.6218.261.32.390.5170.013
GACZ15S15.87526.9888.646.359.422.831.482.770.7660.025
GACZ19S19.0531.7510.417.8711.1827.431.793.18160.038
GACZ22S22.22536.51212.199.6513.2131.952.024.3725.50.049
GACZ25S25.441.27513.9711.1815.2436.52.545.16260.085
GACZ31S31.7550.817.7813.9718.845.593.365.94260.159
GACZ34S34.92555.56219.5615.2421.3449.23.697.142.5440.213
GACZ38S38.161.91221.3416.7623.1154.743.937.922.545.50.301
GACZ44S44.4571.43824.8920.0727.1863.884.728.332.5460.458
GACZ50S50.880.96228.723.3731.2473.025.519.523.565.50.671
GACZ57S57.1590.48832.2626.6735.3182.176.1811.513.565.50.948
GACZ63S63.5100.01336.0729.9739.1291.196.7912.73.5651.13
GACZ69S69.85111.12539.6232.3843.18100.337.4613.084.651.75
GACZ76S76.2120.6543.4335.6947.24109.528.1714.684.652.28
GACZ82S82.55130.17547.2439.2451.56118.749.0416.664.652.89
GACZ88S88.9139.750.842.5455.37128.029.5117.864.653.57
GACZ95S95.25149.22554.6145.8559.44136.9110.119.434.64.54.35
GACZ101S101.6158.7558.4249.1563.5146.0510.419.844.64.55.26
GACZ114S114.3177.765.7955.7571.12164.4612.422.224.64.57.76
GACZ127S127196.8573.1562.3679.5182.6313.925.44.64.511.07
GACZ152S152.4222.2578.7466.4285.72207.1616.134.84.64.517.37


SEND A MESSAGE
CONTACT US
MARKETING CENTER
TIK Industrial Co., Limited.
Address: No. 11 Niusha Road, Jinjiang District, Chengdu 610066, China.
Telephone: 0086-28-69180466, 0086-28-62493070
Email: tikbearings@gmail.com & tikbearings@163.com
Contact person: Mr. Chris Lau (Export Director)
Whatsapp/Wechat:+86-13096328272
Skype: tikbearings

MANUFACTURING BASE
TIK Bearing Manufacturing Co., Ltd.
Address: No. 86 Fangda Road, Ganmei Industrial Zone, Meishan 620038, China.
Telephone: 0086-28-38290848, 0086-28-38294038

TIK Bearing Manufacturing Co., Ltd © All Rights Reserved.   sitemap